首頁
公司簡介
產品介紹(新)
最新消息
會員專區
詢價區
購物車
聯絡我們
行動版
豐麟粉絲團
請先註冊網站會員
加入官方 Line@
產品介紹
施耐德專區
大恒專區
士林工控產品
DINKLE 町洋專區
樓宇感應及遙控器區
工具專區
1>低壓配電設備
2>中高壓.配電
3>工業自動化
4>樓宇自動及控制
5>盤面表
6>其他
*1_開關箱體
*2_照明設備
*3_風扇
*4_保險絲
*5_線材
*6_手動量測工具
*7_電源供應器、RY
*8_配線的器材
*9_電磁閥、壓力開關
*A_TR,SR,UPS,SC
*B_電表(HM)
25_工具(其它)
Youtube專區
首次詢價,請先「
加入會員
」,如果忘記密碼,請至進入「
忘記密碼
」,查詢密碼。
產品介紹
首頁
產品介紹
繼電器
士林
繼電器
點圖放大
編號
RRCLRSM
名稱
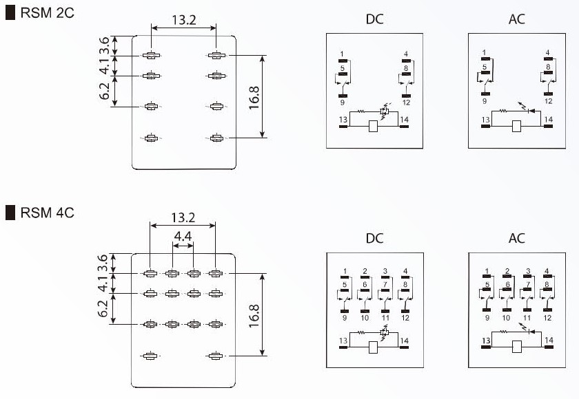
---* 士林RELAY RSM (MY2/4)
官網
詢價
加入詢價
Loading...
請以報價單的價錢為主
未稅參考牌價NT$
請詢價
點我看價錢
Loading...
繼電器
士林
繼電器
相關品
加入收藏
Loading...
產品編號
RRCLRSM
產品名稱
---* 士林RELAY RSM (MY2/4)
產品描述
尺寸
#
檔案
容量
下載
1
68 KB
下載
型錄
1
RRCLRSM.PDF
476 KB
下載
2
RRCL.PDF
2134 KB
下載
產品圖
1
27 KB
下載
2
88 KB
下載
說明書
規格
1
98 KB
下載
產品參數表
官網
型錄
認證資料
合格日期
RoHS
ETIM-6.0
停產日期
(
0
)
詢價車
購物車
瀏覽記錄
詢價區
收藏清單
詢價清單
已購產品
回首頁
|
公司簡介
|
產品介紹
|
最新消息
|
會員專區
|
詢價區
|
購物車
|
聯絡我們
|
隱私權政策
|
服務條款
Copyright c 2010 豐麟企業有限公司 / 廣旺實業有限公司 / 豐立自動控制器材有限公司 all rights reserved.
406031台中市北屯區松竹路三段219號 電話:886-4-22330657 傳真:886-4-22305743